
ARD智能電動機保護器
ARD2數碼顯示低壓智能電動機保護器
該系列低壓電動機保護器,具有過載、斷相、不平衡、欠載、接地/漏電、堵轉等保護功能。可與接觸器、電動機起動器等電器元件構成電動機控制保護單元,具有遠程自動控制、現場直接控制、面板指示、信號報警、現場總線通信等功能。
應用范圍:
可廣泛應用于煤礦、石化、冶煉、電力、建筑等行業的配電領域。訂貨范例:
具體型號:ARD2-25
數字式電動機保護器


● ARD2(L)電動機保護器
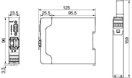
◆ 主體模塊

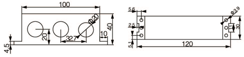
◆ 互感器
0.1A~100A互感器

63A~250A互感器

250A~800A互感器

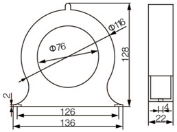
100A以下漏電流互感器

100A以上漏電流互感器

c ARD2F、ARD3電動機保護器
◆ 主體模塊

◆ 顯示單元

◆ 抗晃電模塊

◆ AC380V電源模塊

● ARD3T電動機保護器
◆ 主體模塊

◆ 測量模塊
電流測量模塊

電流+電壓測量模塊

◆ 溫度、模擬量、開關量模塊

◆ 通訊模塊

◆ 顯示模塊

◆ 外置電流互感器

◆ 漏電流互感器

●ARD系列智能電動機保護器


●ARD2F系列智能電動機保護器

●ARD3系列智能電動機保護器

●ARD3T系列智能電動機保護器


QQ咨詢
服務熱線
微信掃一掃